HT-PD←HYDROTECHNIK
hydrotechnik
![]() |
HT-PD Pressure sensor |
| Hydrotechnik in china | |
| Hydrotechnik HT-PD data download |
Hydrotechnik HT-PD Pressure sensor
Product range pressure sensors type HT-PD The latest thinfilm WSG pressure sensor type HT-PD from Hydrotechnik was developed in order to measure pressures and pressure peaks within an extended temperature band. Its strongest attributes lie in the following areas:
The HD-PD’s simple yet advanced design features very few active components. These include the sensor element, signal processing circuit and associated protective components. The calibration is executed electronically with on-board storage of all parameters. The benefit of this feature is an extended working temperature range with excellent long-term stability and comparatively small total error. The mechanical dimensions of this latest model have been reduced once more achieving major size and weight saving and an increased resistance to thermal shocks and vibrations.
hydrotechnik HT-PD Major features
Hydrotechnik HT-PD Application ranges
| Measuring principle | Thinfilm WSG / relative pressure |
| Measuring output signal: | Options 0 to 20 mA (three-wire), 4 to 20 mA (two-wire) or 0 to 10 VDC (three-wire) |
| Supply voltage: | 10 to 30 VDC (signal 0 to 20 mA /4 to 20 mA) 12 to 30 VDC (signal 0 to 10 VDC) |
| Over voltage protection: | To max. 35 VDC |
| Current consumption: (Sensor under zero load) |
12 mA (0 to 20 mA/4 to 20 mA) 8 mA max. (0 to 10 VDC) |
| Non.linearity and hysteresis: | ± 0,5 % of full-scale output |
| Error limit: | ±0.5%@22 |
| Repeatability: | ± 0,1 % of full-scale output |
| Mechanical overload capacity: | 1,5 x nominal pressure |
| Bursting pressure: | 3 x nominal pressure |
| Working temperature range: | -40 °C to +100 °C (for a brief period +120 °C) |
| Media temperature: | -40 °C to +130 °C |
| Stock temperature range: | -40 °C to +130 °C |
| Long-term stability: | 0,1 % of final scale/year |
| Load resistor: | Current source:RL = Max.500Ohm ,Voltage source: RL = 5 kOhm |
| Environmental rating (EN 60529/IEC 529): | IP 40 to IP 69K (depending on plug connection) |
| Fatigue life (FS cycles): | > 10 x 10 7 |
| Frequency response (amplifier): | DC to >1 kHz |
| Reaction time: | <1ms |
| Insulation resistance: | Minimum 100 MOhm |
| CE-mark: | Interference emission acc. to EN 50081-2, immune to interference acc. to EN 50082-2 |
| Resistance to vibrations: | 20 g (1mm vibration way 10 bis 2000 Hz) |
| Resistance to thermal shocks: | 50 g (6 ms half sinusoid) |
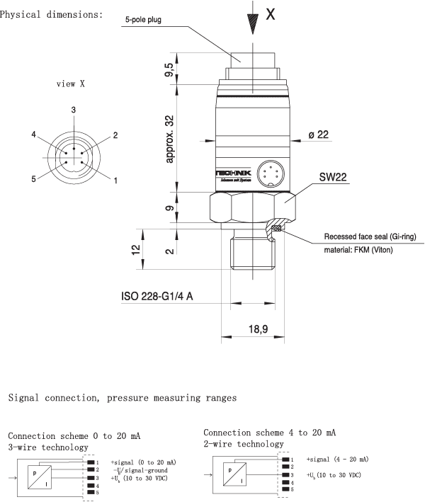
| Electrical connection: | 5-pole Plug (standard) |
| Pressurized connection G (mechanical): | ISO 228-G1/4 A: maximum 25 Nm, gasket: Gi-ring: FKM (Viton) |
| Material: | Wetted parts: 1.4542 stainless steel |
| Weight: | 0,06 Kg |

| Pin assignment | Order number |
| 5 Pin assignment | 8808-05-00.01 |
![]() |
Execution | Pressure sensor | Pmax | Order number |
| Direct conn. straight – 1620 | HT-PD | 63MPa | 2103-07-18.62 | |
| Direct connector 90° – 1620 | HT-PD | 63MPa | 2146-13-05.00 |
| Measuring range(MPa) | Measuring range(Bar) | 4...20mA |
| -0.1...0MPa | -1...0bar | 3403-30-C3.37 |
| -0.1...0.6MPa | -1...6bar | 3403-32-C3.37 |
| -0.1...1MPa | -1...10bar | 3403-54-C3.37 |
| 0...0.6MPa | 0...6bar | 3403-28-C3.37 |
| 0...1.0MPa | 0...10bar | 3403-26-C3.37 |
| 0...1.6MPa | 0...16bar | 3403-41-C3.37 |
| 0...4.0MPa | 0...40bar | 3403-31-C3.37 |
| 0...6MPa | 0...60bar | 3403-21-C3.37 |
| 0...10.0MPa | 0...100bar | 3403-16-C3.37 |
| 0...20.0MPa | 0...200bar | 3403-10-C3.37 |
| 0...25.0MPa | 0...250bar | 3403-17-C3.37 |
| 0...40.0MPa | 0...400bar | 3403-15-C3.37 |
| 0...60.0MPa | 0...600bar | 3403-18-C3.37 |
| 0...100.0MPa | 0...1000bar | 3403-29-C3.37 |
| Measuring range(MPa) | Measuring range(Bar) | 0...20mA without ISDS | 0...20mA with ISDS |
| -0.1...0MPa | -1...0bar | 3403-30-C3.33 | 3403-30-S-E5.33 |
| -0.1...0.1MPa | -1...1bar | 3403-20-C3.33 | 3403-20-S-E5.33 |
| -0.1...0.6MPa | -1...6bar | 3403-32-C3.33 | 3403-32-S-E5.33 |
| 0...1.0MPa | 0...10bar | 3403-26-C3.33 | 3403-26-S-E5.33 |
| 0...2.0MPa | 0...20bar | 3403-27-C3.33 | 3403-27-S-E5.33 |
| 0...2.5MPa | 0...25bar | 3403-40-C3.33 | 3403-40-S-E5.33 |
| 0...6MPa | 0...60bar | 3403-21-C3.33 | 3403-21-S-E5.33 |
| 0...10.0MPa | 0...100bar | 3403-16-C3.33 | 3403-16-S-E5.33 |
| 0...20.0MPa | 0...200bar | 3403-10-C3.33 | 3403-10-S-E5.33 |
| 0...25.0MPa | 0...250bar | 3403-17-C3.33 | 3403-17-S-E5.33 |
| 0...40.0MPa | 0...400bar | 3403-15-C3.33 | 3403-15-S-E5.33 |
| 0...60.0MPa | 0...600bar | 3403-18-C3.33 | 3403-18-S-E5.33 |
| 0...80.0MPa | 0...800bar | 3403-62-C3.33 | 3403-62-S-E5.33 |
| 0...100.0MPa | 0...1000bar | 3403-29-C3.33 | 3403-29-S-E5.33 |